Торговая марка
основана в 1994 году

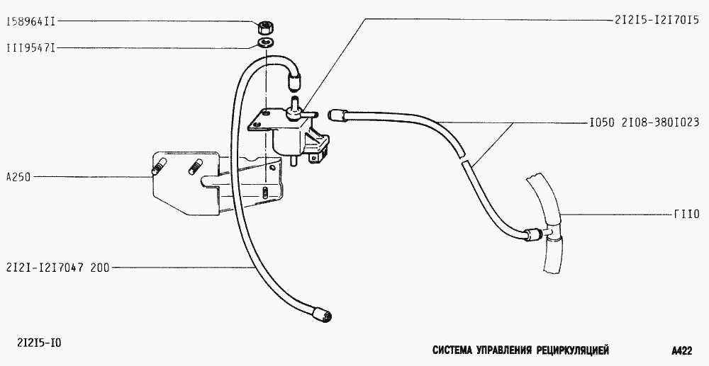
Система управления рециркуляцией

Система управления рециркуляцией