Торговая марка
основана в 1994 году

Радиатор

Радиатор
Метка Каталожный номер Наименование детали Наличие
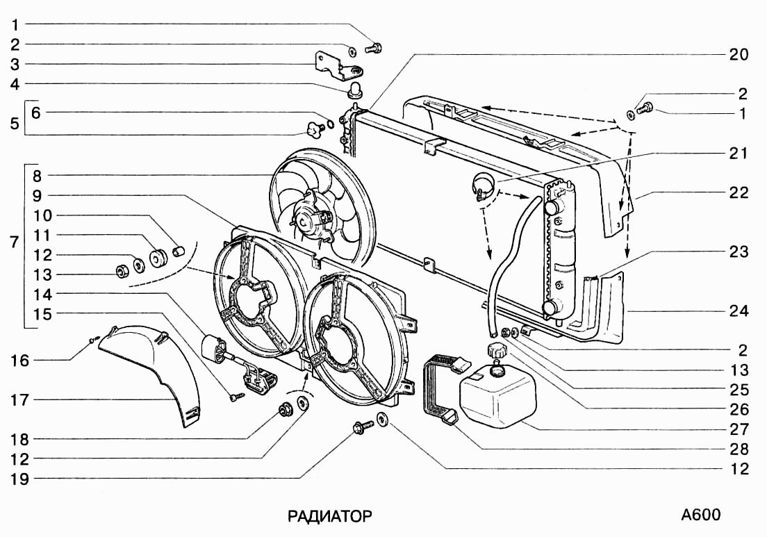
11 2103-1308030 Втулка
Фото Артикул Наименование Модель Ед. Наличие Цена интернет магазина
Втулки диффузора мотора охлаждения радиатора ВАЗ г.Тольятти. Комплект. 00000013482 Втулки диффузора мотора охлаждения радиатора ВАЗ г.Тольятти. Комплект. 2101 компл 69₽
В корзину
комплект втулок электровентилятора охлаждения Н.Новгород Волга,Газель 2103-1308030 00000013490 комплект втулок электровентилятора охлаждения Н.Новгород Волга,Газель 2103-1308030 Г-3110 компл 58₽
В корзину
28 2105-1311090 Ремень крепления бачка
Фото Артикул Наименование Модель Ед. Наличие Цена интернет магазина
Ремень крепления расширительного бачка ВАЗ 2105 "БРТ". Ремень крепл.расш.б. 00000018396 Ремень крепления расширительного бачка ВАЗ 2105 "БРТ". Ремень крепл.расш.б. 2105 шт 103₽
В корзину
26 2108-1311065-01 Пробка расширительного бачка
Фото Артикул Наименование Модель Ед. Наличие Цена интернет магазина
крышка расширительного бачка 2108 "Рысь" 00000015417 крышка расширительного бачка 2108 "Рысь" 08 шт 81₽
В корзину
Крышка расширительного бачка 2108 "АМФИБИЯ" 00000015420 Крышка расширительного бачка 2108 "АМФИБИЯ" 2108 шт 144₽
В корзину
крышка расширительного бачка 2108 "LUZAR" 00000015421 крышка расширительного бачка 2108 "LUZAR" 2108 шт 182₽
В корзину
крышка расширительного бачка ЕвроДеталь 2108 "Евродеталь" 00000015423 крышка расширительного бачка ЕвроДеталь 2108 "Евродеталь" 2108 шт 81₽
В корзину
крышка расширительного бачка СПРУТ 00000040565 крышка расширительного бачка СПРУТ 08 шт 114₽
В корзину
крышка расш/бач.Автоприбор 00000063389 крышка расш/бач.Автоприбор 2108 311₽
В корзину
28 2110-1311090 Ремень расширительного бачка
Фото Артикул Наименование Модель Ед. Наличие Цена интернет магазина
Ремень крепления расширительного бачка ВАЗ 2110 "БРТ". Ремень крепл.расш.б. 00000018398 Ремень крепления расширительного бачка ВАЗ 2110 "БРТ". Ремень крепл.расш.б. 2110 шт 93₽
В корзину
14 2123-1300500 Резистор
Фото Артикул Наименование Модель Ед. Наличие Цена интернет магазина
Резистор мотора охлаждения радиатора ВАЗ 2123 г. Калуга 00000018125 Резистор мотора охлаждения радиатора ВАЗ 2123 г. Калуга 2123 шт 518₽
В корзину
14 2123-1300500-01 Резистор
Фото Артикул Наименование Модель Ед. Наличие Цена интернет магазина
Резистор мотора охлаждения радиатора ВАЗ 2123 г. Калуга 00000018125 Резистор мотора охлаждения радиатора ВАЗ 2123 г. Калуга 2123 шт 518₽
В корзину
14 2123-1300500-02 Резистор
Фото Артикул Наименование Модель Ед. Наличие Цена интернет магазина
Резистор мотора охлаждения радиатора ВАЗ 2123 г. Калуга 00000018125 Резистор мотора охлаждения радиатора ВАЗ 2123 г. Калуга 2123 шт 518₽
В корзину
20 2123-1301012 Радиатор
Фото Артикул Наименование Модель Ед. Наличие Цена интернет магазина
Радиатор охлаждения ВАЗ 2123 "ДААЗ" г.Димитровград. Радиатор охлаждения алюминиевый. Радиатор основной. 00000017811 Радиатор охлаждения ВАЗ 2123 "ДААЗ" г.Димитровград. Радиатор охлаждения алюминиевый. Радиатор основной. 2123 шт 4555₽
В корзину
Радиатор охлаждения ВАЗ 2123 БМК 00000017832 Радиатор охлаждения ВАЗ 2123 БМК 2123 шт 2959₽
В корзину
4 2123-1302060 Опора подвески радиатора
Фото Артикул Наименование Модель Ед. Наличие Цена интернет магазина
Подушка радиатора ВАЗ 2123 "БРТ". 00000016912 Подушка радиатора ВАЗ 2123 "БРТ". 2123 шт 22₽
В корзину