Торговая марка
основана в 1994 году

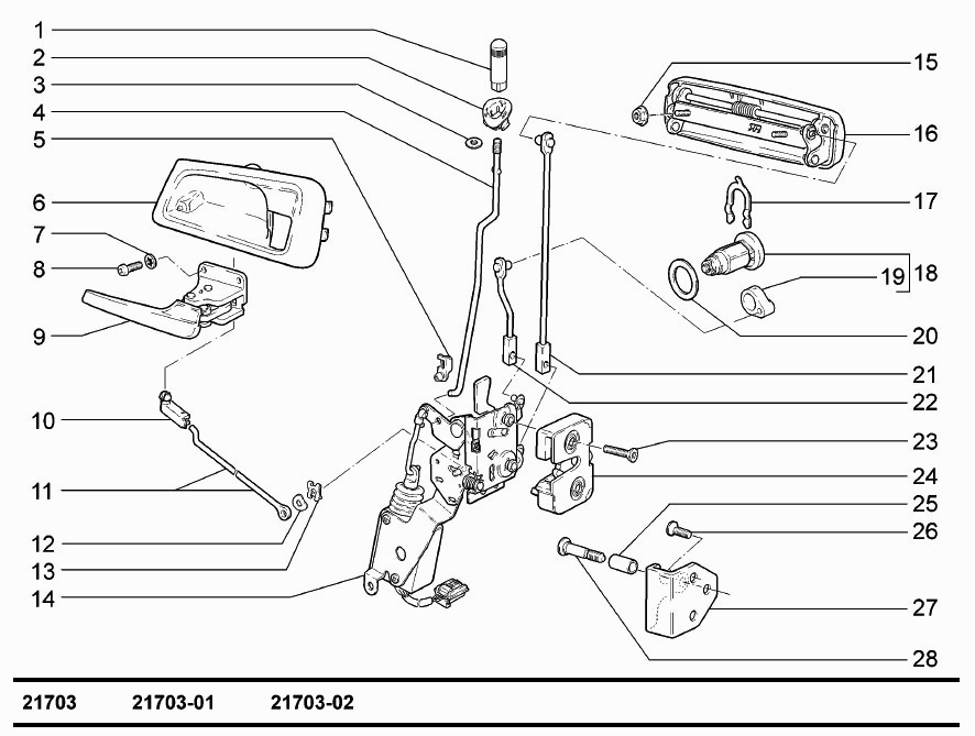
Замки и ручки передних дверей

Замки и ручки передних дверей