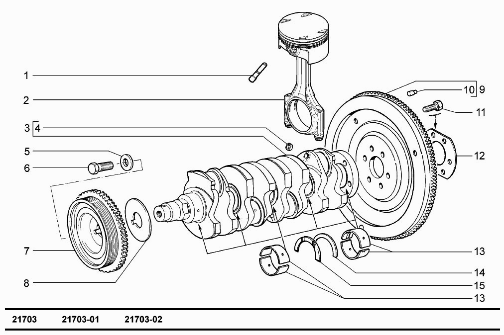
Вал коленчатый и маховик
| Метка | Каталожный номер | Наименование детали | Наличие | |||||||||||||||||
|---|---|---|---|---|---|---|---|---|---|---|---|---|---|---|---|---|---|---|---|---|
| 4 | 00001-0043282-01 | Заглушка 10 чашечная | ||||||||||||||||||
|
||||||||||||||||||||
| 3 | 11183-1005016-01 | Вал коленчатый | ||||||||||||||||||
|
||||||||||||||||||||
| 3 | 11183-1005016-03 | Вал коленчатый | ||||||||||||||||||
|
||||||||||||||||||||
| 8 | 21126-1005317-00 | Шайба дистанционная | ||||||||||||||||||
|
||||||||||||||||||||
| 8 | 21126-1005317-10 | Шайба дистанционная | ||||||||||||||||||
|
||||||||||||||||||||
