Торговая марка
основана в 1994 году

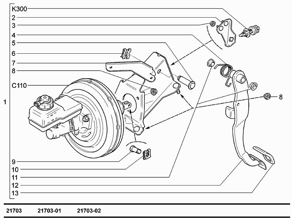
Педаль тормоза

Педаль тормоза