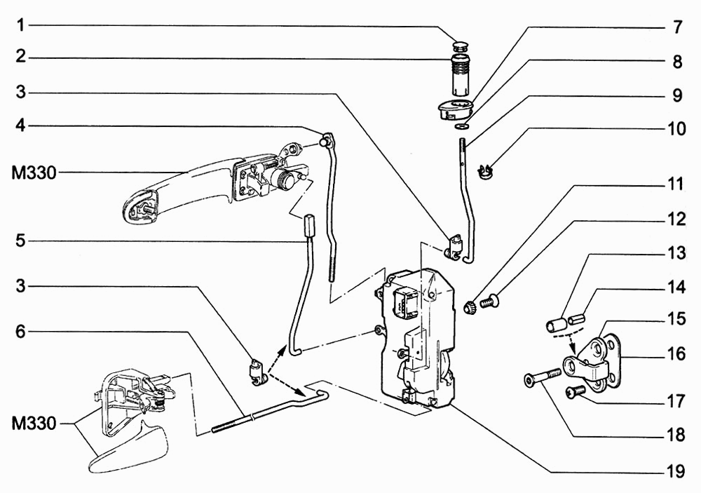
Замки передних дверей
| Метка | Каталожный номер | Наименование детали | Наличие | ||||||||||||||||||||||||||||
|---|---|---|---|---|---|---|---|---|---|---|---|---|---|---|---|---|---|---|---|---|---|---|---|---|---|---|---|---|---|---|---|
| 19 | 1118-6105013-10 | Замок двери передней левой | |||||||||||||||||||||||||||||
|
|||||||||||||||||||||||||||||||
| 1 | 1118-6105129 | Втулка кнопки | |||||||||||||||||||||||||||||
|
|||||||||||||||||||||||||||||||
| 18 | 1118-6105228 | Палец фиксатора замка | |||||||||||||||||||||||||||||
|
|||||||||||||||||||||||||||||||
| 3 | 2108-6105094 | Скоба | |||||||||||||||||||||||||||||
|
|||||||||||||||||||||||||||||||
| 3 | 2108-6105094 | Скоба | |||||||||||||||||||||||||||||
|
|||||||||||||||||||||||||||||||
| 17 | 2108-6105268 | Винт | |||||||||||||||||||||||||||||

