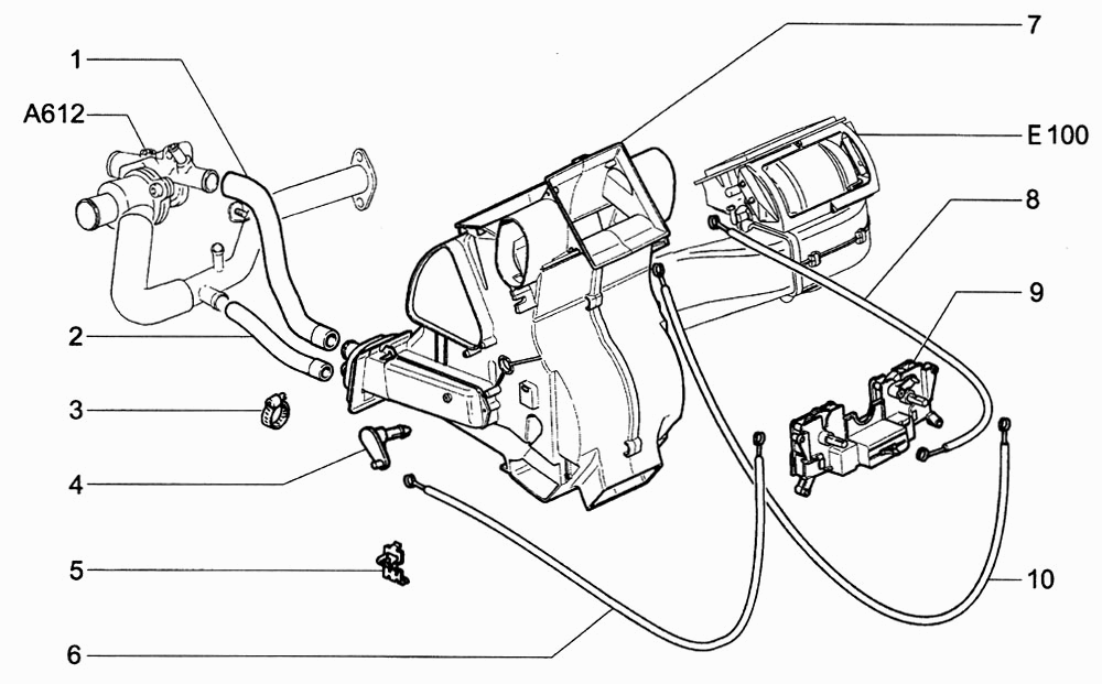
Управление вентиляцией и отоплением
| Метка | Каталожный номер | Наименование детали | Наличие | |||||||||||||||||||
|---|---|---|---|---|---|---|---|---|---|---|---|---|---|---|---|---|---|---|---|---|---|---|
| 9 | 1118-8109020 | Рычаги управления отопителем | ||||||||||||||||||||
|
||||||||||||||||||||||
| 5 | 2108-8109135 | Скоба крепления тяги | ||||||||||||||||||||
|
||||||||||||||||||||||
