Торговая марка
основана в 1994 году

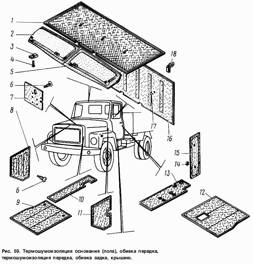
Термошумоизоляция основания пола, обивка передка, термошумоизоляция передка, обивка задка

Термошумоизоляция основания пола, обивка передка, термошумоизоляция передка, обивка задка