Торговая марка
основана в 1994 году

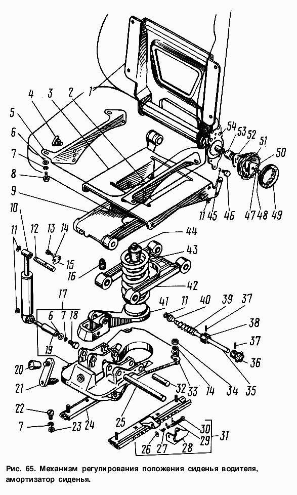
Механизм регулирования положения сиденья водителя, амортизатор сиденья

Механизм регулирования положения сиденья водителя, амортизатор сиденья