Торговая марка
основана в 1994 году

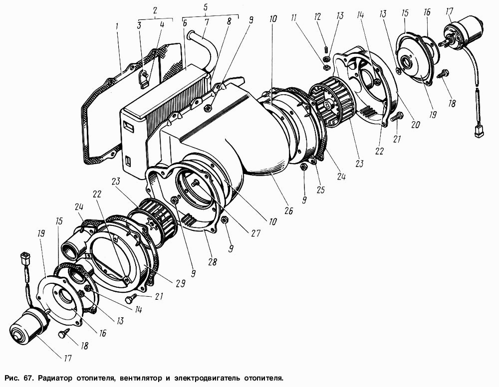
Радиатор отопителя, вентилятор и электродвигатель отопителя

Радиатор отопителя, вентилятор и электродвигатель отопителя