Торговая марка
основана в 1994 году

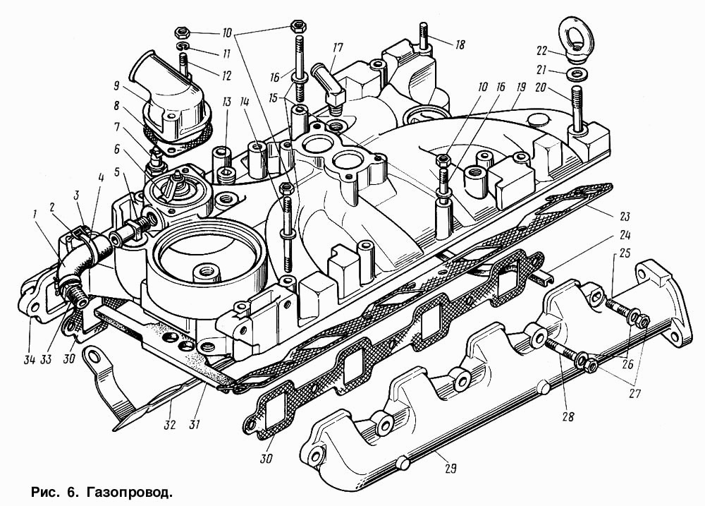
Газопровод

Газопровод
Метка Каталожный номер Наименование детали Наличие
23 13-1008080-15 Прокладка впускной трубы боковая
Фото Артикул Наименование Модель Ед. Наличие Цена интернет магазина
комплект прокладок впускной трубы РТИ Газ Г-53,3307  ЗМЗ-511 00000059488 комплект прокладок впускной трубы РТИ Газ Г-53,3307 ЗМЗ-511 511дв. шт 267₽
В корзину
29 53-1008025 Коллектор выпускной левый
Фото Артикул Наименование Модель Ед. Наличие Цена интернет магазина
коллектор вып.лев.ДМ 00000059044 коллектор вып.лев.ДМ 511дв. 3573₽
В корзину
6 ТС108-1306100-01 Термостат ТС108 (покупное изделие)
Фото Артикул Наименование Модель Ед. Наличие Цена интернет магазина
Термостат в сборе (90 сил) "УАЗ" 00000019433 Термостат в сборе (90 сил) "УАЗ" УАЗ шт 449₽
В корзину