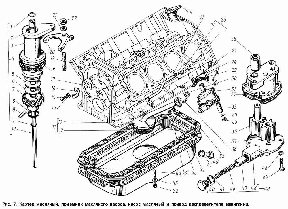
Картер масляный, приемник масляного насоса, насос масляный и привод распределителя зажигания
| Метка | Каталожный номер | Наименование детали | Наличие | |||||||||||||||||||||||||
|---|---|---|---|---|---|---|---|---|---|---|---|---|---|---|---|---|---|---|---|---|---|---|---|---|---|---|---|---|
| 22 | 250511-П29 | Гайка М8х1-6Н ОСТ 37.001.124-93 | ||||||||||||||||||||||||||
|
||||||||||||||||||||||||||||
| 44 | 291732-П2 | Шпилька М8х1-4hх14 | ||||||||||||||||||||||||||
|
||||||||||||||||||||||||||||
| 41 | 293469-П | Шайба 18 | ||||||||||||||||||||||||||
|
||||||||||||||||||||||||||||
| 41 | 293469-П | Шайба 18 | ||||||||||||||||||||||||||
|
||||||||||||||||||||||||||||
| 40 | 296494-П8 | Пробка М18х1,5х12 | ||||||||||||||||||||||||||
|
||||||||||||||||||||||||||||
| 40 | 296494-П8 | Пробка М18х1,5х12 | ||||||||||||||||||||||||||
|
||||||||||||||||||||||||||||
