Торговая марка
основана в 1994 году

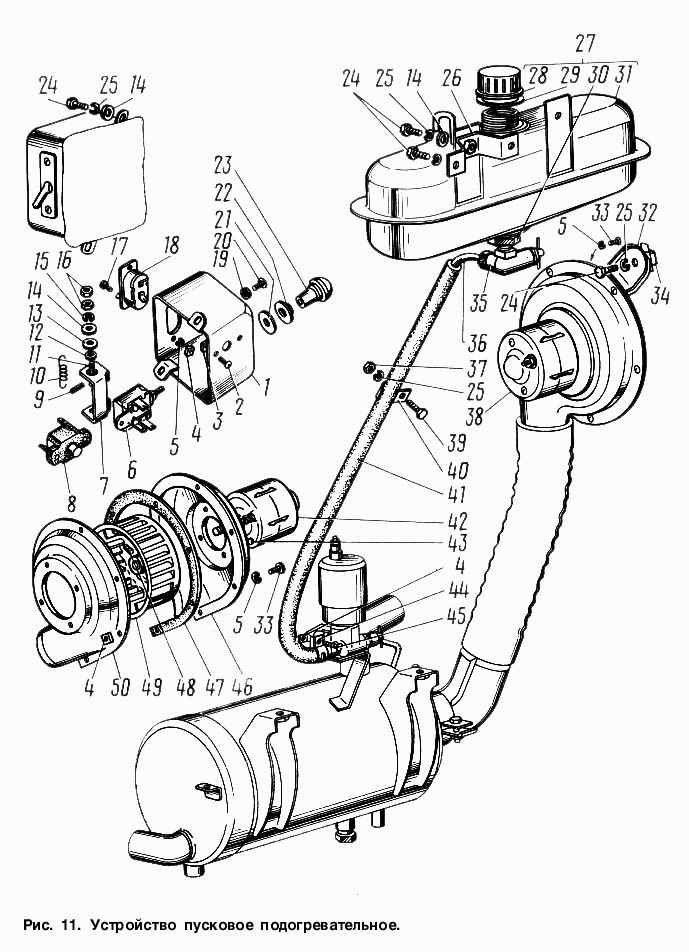
Устройство пусковое подогревательное

Устройство пусковое подогревательное