Торговая марка
основана в 1994 году

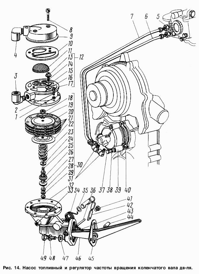
Насос топливный и регулятор частоты вращения коленчатого вала двигателя

Насос топливный и регулятор частоты вращения коленчатого вала двигателя