Торговая марка
основана в 1994 году

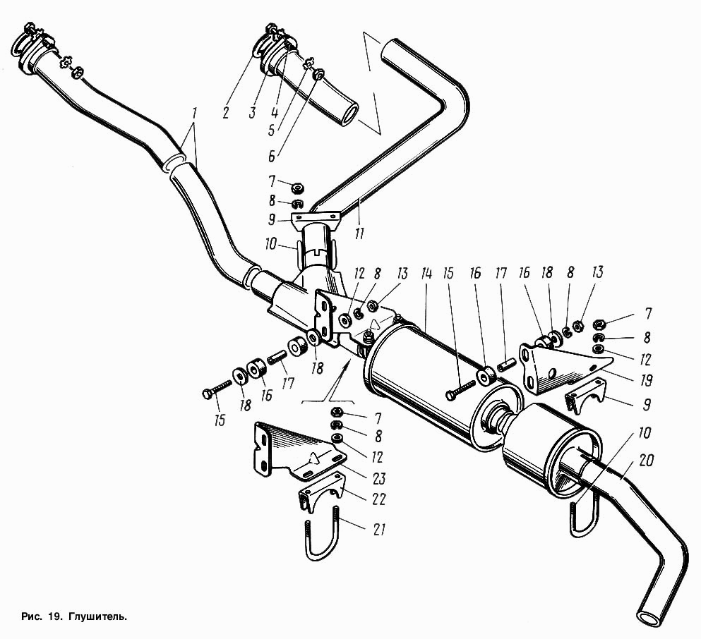
Глушитель

Глушитель
Метка Каталожный номер Наименование детали Наличие
7 250511-П29 Гайка М8х1-6Н ОСТ 37.001.124-93
Фото Артикул Наименование Модель Ед. Наличие Цена интернет магазина
Гайка М8*1,0 БелЗАН-САК. 00000013565 Гайка М8*1,0 БелЗАН-САК. шт 2₽
В корзину
1 53А-1203211-20 Труба приемная глушителя левая в сборе
Фото Артикул Наименование Модель Ед. Наличие Цена интернет магазина
труба прием.лев"ГАЗ" 00000054395 труба прием.лев"ГАЗ" ГАЗ-53 1489₽
Нет в наличии
2 53А-1203360 Прокладка приемной трубы глушителя в сборе
Фото Артикул Наименование Модель Ед. Наличие Цена интернет магазина
прокладка приемной трубы глушителя  Г-53,3307 ЗМЗ-511,523 53А-1203360 00000014956 прокладка приемной трубы глушителя Г-53,3307 ЗМЗ-511,523 53А-1203360 Г-53 шт 25₽
В корзину