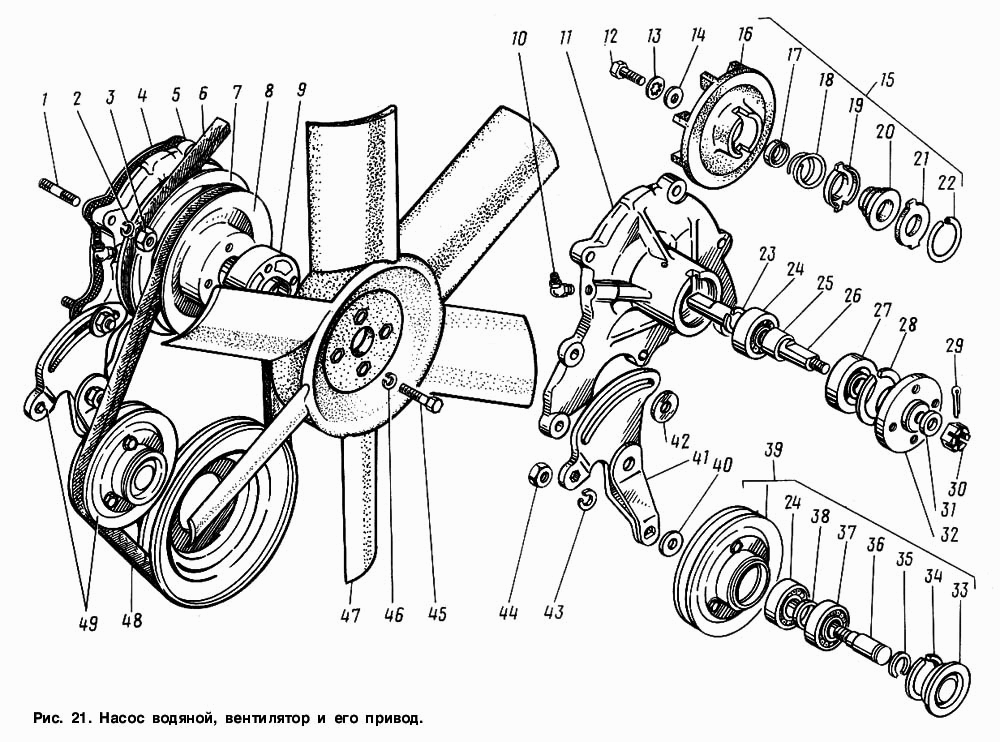
Насос водяной, вентилятор и его привод
| Метка | Каталожный номер | Наименование детали | Наличие | |||||||||||||||||||||||||
|---|---|---|---|---|---|---|---|---|---|---|---|---|---|---|---|---|---|---|---|---|---|---|---|---|---|---|---|---|
| 42 | 252039-П29 | Шайба 10 ОСТ 37.001.144-96 | ||||||||||||||||||||||||||
|
||||||||||||||||||||||||||||
| 6 | 321-1110227 | Ремень привода насоса усилителя 1-8.5х8-833 | ||||||||||||||||||||||||||
|
||||||||||||||||||||||||||||
| 5 | 66-1307010-Б | Насос водяной в сборе | ||||||||||||||||||||||||||
|
||||||||||||||||||||||||||||

