Торговая марка
основана в 1994 году

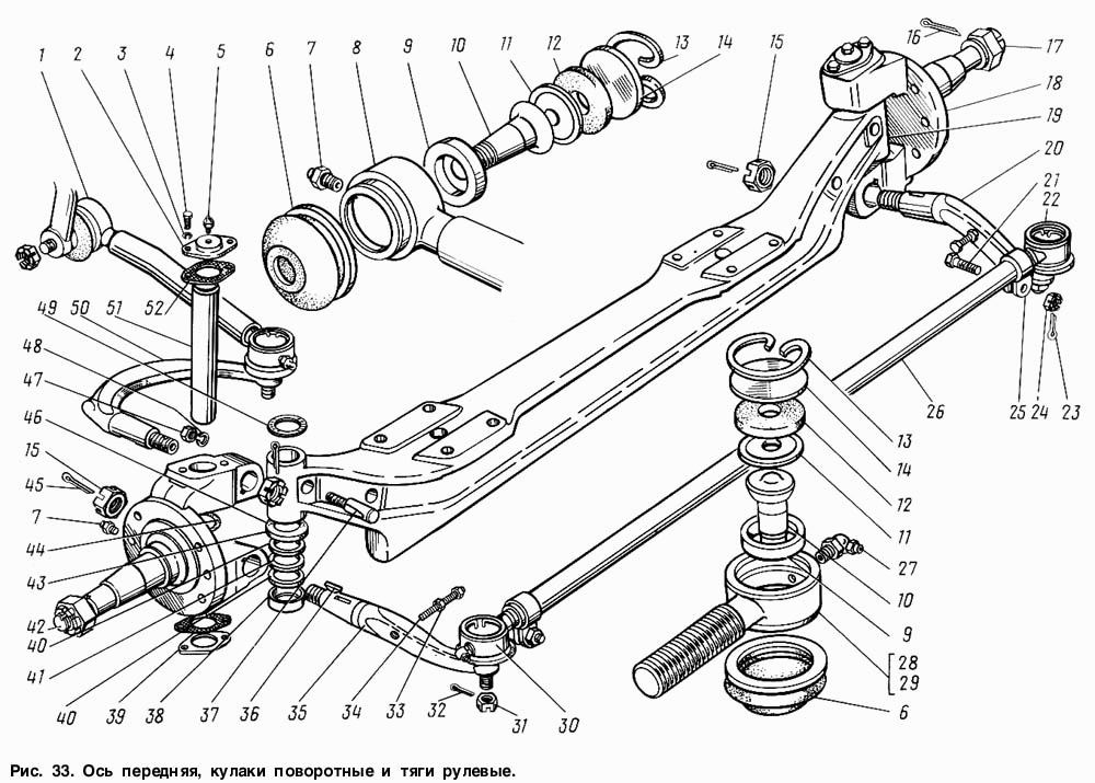
Ось передняя, кулаки поворотные и тяги рулевые

Ось передняя, кулаки поворотные и тяги рулевые
Метка Каталожный номер Наименование детали Наличие
31 250979-П29 Гайка М16х1,5-6Н ОСТ 37.001.108-93
Фото Артикул Наименование Модель Ед. Наличие Цена интернет магазина
гайка М16х1,5-6Н рулевого шарнира "Красная Этна" г.Н.Новгород Газель 250979-П29 00000013578 гайка М16х1,5-6Н рулевого шарнира "Красная Этна" г.Н.Новгород Газель 250979-П29 ГАЗЕЛЬ шт 14₽
В корзину
2 3307-3001041 Крышка шкворня верхняя
Фото Артикул Наименование Модель Ед. Наличие Цена интернет магазина
крышка шкворня  Газель,Газ-3307 3307-3001041 00000015439 крышка шкворня Газель,Газ-3307 3307-3001041 ГАЗЕЛЬ шт 69₽
В корзину
18 53А-3001012 Кулак поворотный правый в сборе
Фото Артикул Наименование Модель Ед. Наличие Цена интернет магазина
кулак поворотный пр. 00000059166 кулак поворотный пр. Г-53 8579₽
Нет в наличии
42 53А-3001013 Кулак поворотный левый в сборе
Фото Артикул Наименование Модель Ед. Наличие Цена интернет магазина
кулак поворотный лев 00000059165 кулак поворотный лев Г-53 7516₽
В корзину
9 53А-3003067 Вкладыш наконечника рулевой тяги
Фото Артикул Наименование Модель Ед. Наличие Цена интернет магазина
вкладыш рулев.након. 00000058858 вкладыш рулев.након. ГАЗ-53 15₽
Нет в наличии
9 53А-3003067 Вкладыш наконечника рулевой тяги
Фото Артикул Наименование Модель Ед. Наличие Цена интернет магазина
вкладыш рулев.након. 00000058858 вкладыш рулев.након. ГАЗ-53 15₽
Нет в наличии