Торговая марка
основана в 1994 году

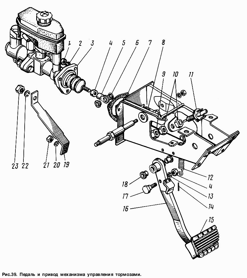
Педаль и привод механизма управления тормозами

Педаль и привод механизма управления тормозами
Метка Каталожный номер Наименование детали Наличие
18 13-3504023 Втулка оси педали тормоза
Фото Артикул Наименование Модель Ед. Наличие Цена интернет магазина
втулка оси педали тормоза Волга,Газель 13-3504023 "Карболит" 00000013430 втулка оси педали тормоза Волга,Газель 13-3504023 "Карболит" ГАЗ шт 4₽
В корзину
6 21-3504039 Втулка оси толкателя
Фото Артикул Наименование Модель Ед. Наличие Цена интернет магазина
втулка оси толкателя педали сцепления "Карболит" Волга,Газель 21-3504039 00000013392 втулка оси толкателя педали сцепления "Карболит" Волга,Газель 21-3504039 ГАЗ шт 3₽
В корзину
17 24-3504038-10 Ось толкателя педали
Фото Артикул Наименование Модель Ед. Наличие Цена интернет магазина
ось толкателя педали сцепления в сборе  Волга,Газель Газ-2410,31029,3110,31105,3302,2705,3221 24-3504038 00000013105 ось толкателя педали сцепления в сборе Волга,Газель Газ-2410,31029,3110,31105,3302,2705,3221 24-3504038 Волга шт 50₽
В корзину