Торговая марка
основана в 1994 году

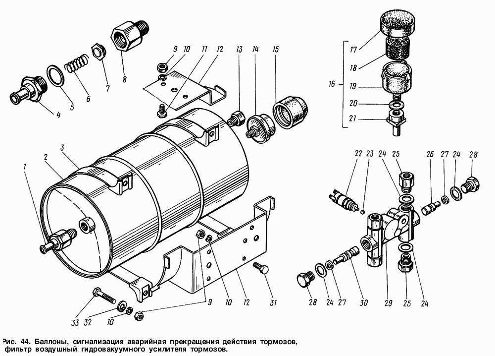
Баллоны, сигнализация аварийная прекращения действия тормозов, фильтр воздушный гидровакуумного усилителя тормозов

Баллоны, сигнализация аварийная прекращения действия тормозов, фильтр воздушный гидровакуумного усилителя тормозов
Метка Каталожный номер Наименование детали Наличие
2 3307-3513015 Баллон вакуумный в сборе
Фото Артикул Наименование Модель Ед. Наличие Цена интернет магазина
баллон вакуумный 00000058803 баллон вакуумный Г-3307 4023₽
В корзину
3 3307-3513072 Хомут крепления вакуумного баллона в сборе
Фото Артикул Наименование Модель Ед. Наличие Цена интернет магазина
хомут балона вакуум. 00000059849 хомут балона вакуум. Г-3307 481₽
В корзину
16 4301-3553010 Фильтр воздушный гидровакуумного усилителя тормозов в сборе
Фото Артикул Наименование Модель Ед. Наличие Цена интернет магазина
фильтр возд.усилит.вакуума 00000064618 фильтр возд.усилит.вакуума ГАЗ 148₽
В корзину