Торговая марка
основана в 1994 году

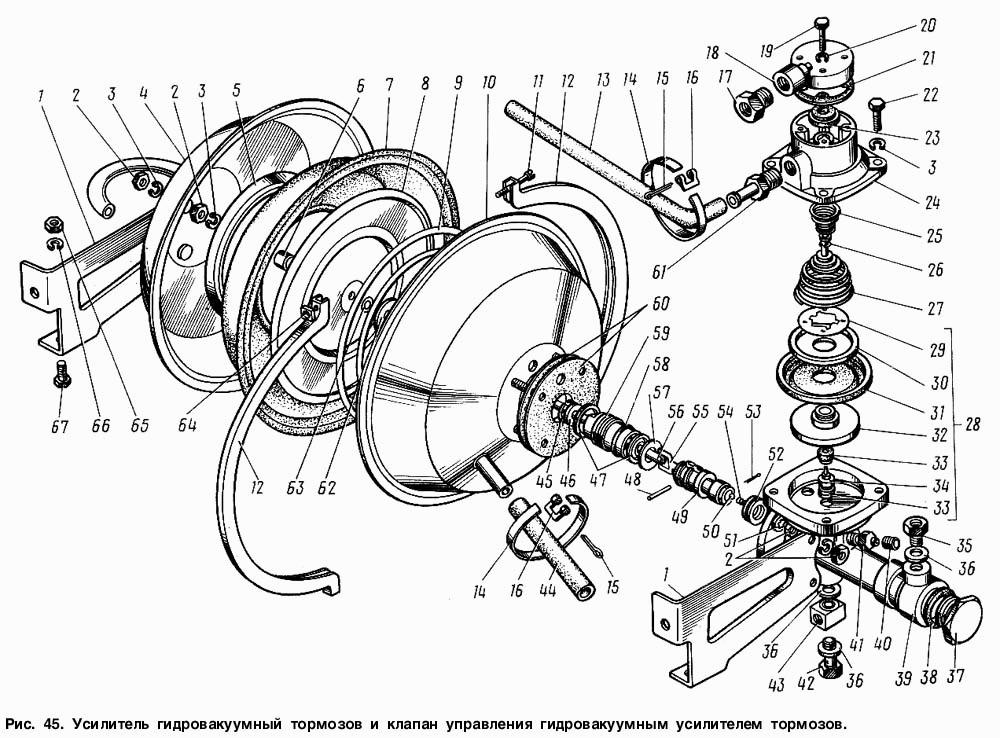
Усилитель гидровакуумный тормозов и клапан управления гидровакуумным усилителем тормозов

Усилитель гидровакуумный тормозов и клапан управления гидровакуумным усилителем тормозов
Метка Каталожный номер Наименование детали Наличие
39 53-12-3550015 Цилиндр гидровакуумного усилителя тормозов
Фото Артикул Наименование Модель Ед. Наличие Цена интернет магазина
корпус вакуум.усилит 00000059104 корпус вакуум.усилит Г-53 3476₽
В корзину
41 53-3501048 Клапан прокачки колесного цилиндра
Фото Артикул Наименование Модель Ед. Наличие Цена интернет магазина
Клапан (штуцер прокачки тормозной жидкости)  00000020833 Клапан (штуцер прокачки тормозной жидкости) ГАЗ шт 25₽
В корзину