Торговая марка
основана в 1994 году

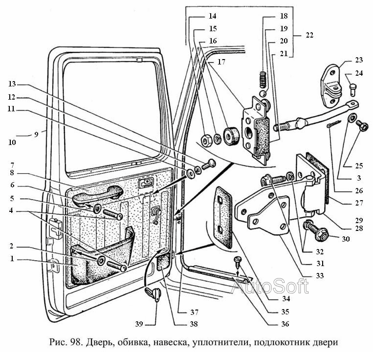
Дверь, обивка, навеска, уплотнители, подлокотник двери

Дверь, обивка, навеска, уплотнители, подлокотник двери