Торговая марка
основана в 1994 году

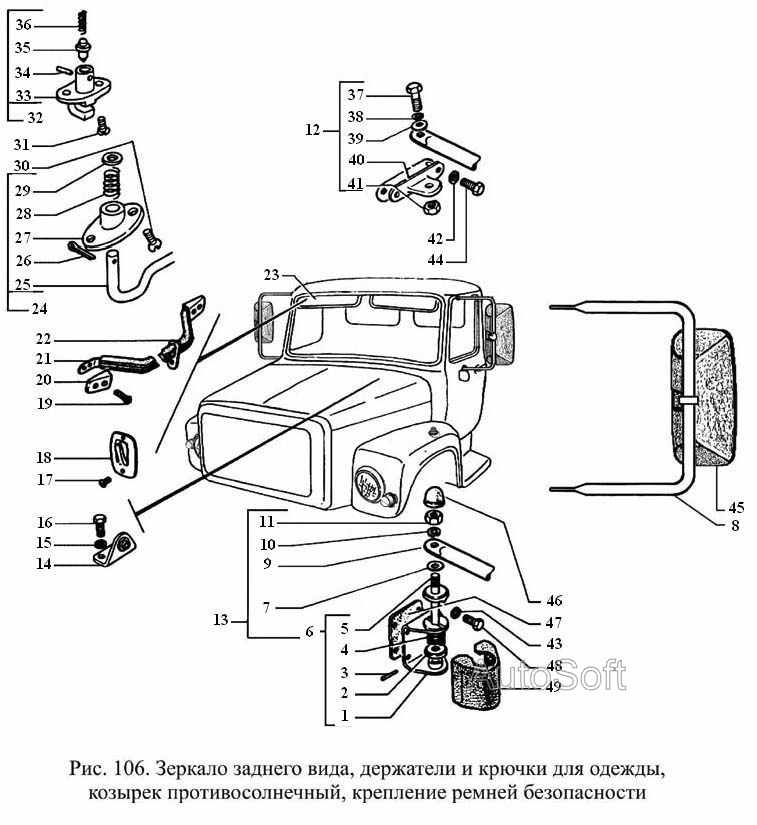
Зеркало заднего вида, держатели и крючки для одежды, козырек противосолнечный, крепление ремней безопасности

Зеркало заднего вида, держатели и крючки для одежды, козырек противосолнечный, крепление ремней безопасности