Торговая марка
основана в 1994 году

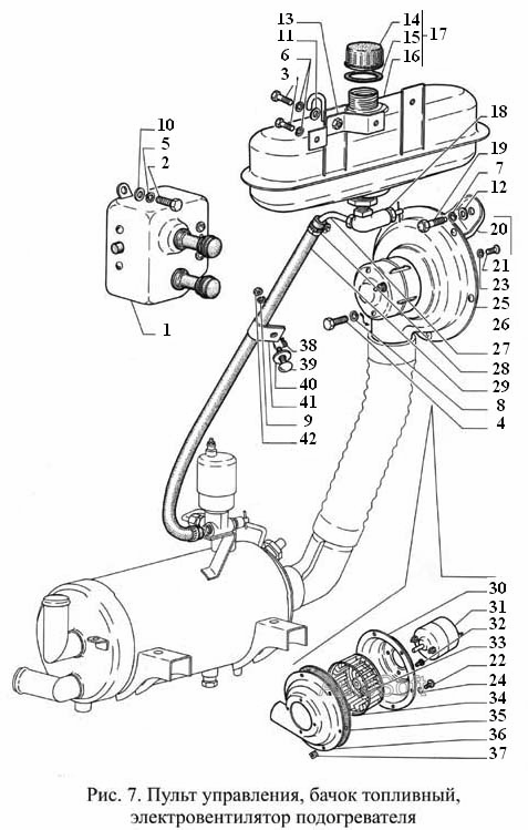
Пульт управления, бачок топливный, электровентилятор подогревателя

Пульт управления, бачок топливный, электровентилятор подогревателя