Торговая марка
основана в 1994 году

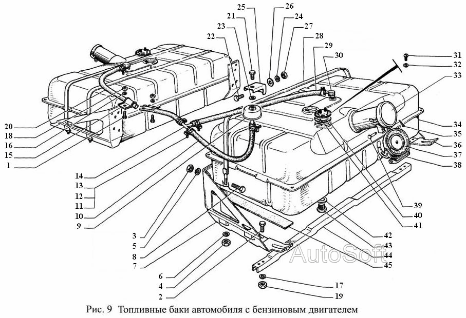
Топливные баки автомобиля с бензиновым двигателем

Топливные баки автомобиля с бензиновым двигателем
Метка Каталожный номер Наименование детали Наличие
41 12-1104022 Прокладка датчика и фланца
Фото Артикул Наименование Модель Ед. Наличие Цена в магазине сегодня Цена интернет магазина
прокладка топливозаборника и датчика уровня топлива Волга,Газель "РТИ" г.Ярославль 00000017483 прокладка топливозаборника и датчика уровня топлива Волга,Газель "РТИ" г.Ярославль ГАЗ шт 13₽ 12₽
В корзину
43 296494-П8 Пробка М18х1,5х12
Фото Артикул Наименование Модель Ед. Наличие Цена в магазине сегодня Цена интернет магазина
пробка М18х1,5х12 масляного картера "ЗМЗ" Волга,Газель ЗМЗ-402 00000023584 пробка М18х1,5х12 масляного картера "ЗМЗ" Волга,Газель ЗМЗ-402 Волга шт 53₽ 50₽
В корзину
пробка поддона магнитная Волга 00000059447 пробка поддона магнитная Волга Волга шт 216₽ 202₽
Нет в наличии
30 33021-1101281 Клапан топливного бака
Фото Артикул Наименование Модель Ед. Наличие Цена в магазине сегодня Цена интернет магазина
Клапан топливного бака  Газель 00000020829 Клапан топливного бака Газель ГАЗЕЛЬ шт 68₽ 62₽
В корзину