Торговая марка
основана в 1994 году

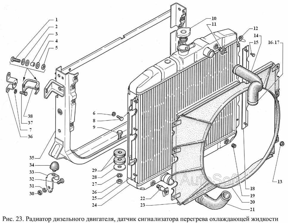
Радиатор дизельного двигателя, датчик сигнализатора перегрева охлаждающей жидкости

Радиатор дизельного двигателя, датчик сигнализатора перегрева охлаждающей жидкости
Метка Каталожный номер Наименование детали Наличие
10 24-1304010 Пробка радиатора в сборе
Фото Артикул Наименование Модель Ед. Наличие Цена в магазине сегодня Цена интернет магазина
пробка радиатора в сборе  Волга Газ-2410,31029 Валдай 24-1304010 00000015409 пробка радиатора в сборе Волга Газ-2410,31029 Валдай 24-1304010 Г-2401 шт 574₽ 528₽
В корзину
2 252039-П29 Шайба 10 ОСТ 37.001.144-96
Фото Артикул Наименование Модель Ед. Наличие Цена в магазине сегодня Цена интернет магазина
шайба 10х30 БелЗАН-САК 252039-П29 00000059865 шайба 10х30 БелЗАН-САК 252039-П29 шт 2₽ 2₽
Нет в наличии
19 296563-П29 Пробка КГ3/8"
Фото Артикул Наименование Модель Ед. Наличие Цена в магазине сегодня Цена интернет магазина
пробка КГ3/8" радиатора "Красная Этна" г.Н.Новгород Волга,Газель 296563-П29 00000014138 пробка КГ3/8" радиатора "Красная Этна" г.Н.Новгород Волга,Газель 296563-П29 ГАЗ шт 16₽ 14₽
В корзину