Торговая марка
основана в 1994 году

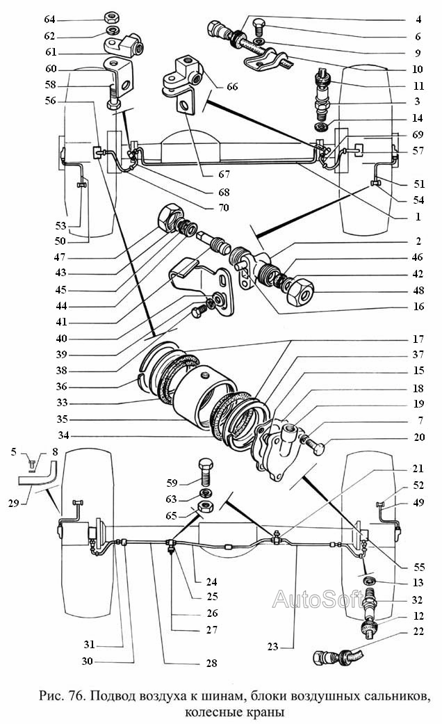
Подвод воздуха к шинам, блоки воздушных сальников, колесные краны

Подвод воздуха к шинам, блоки воздушных сальников, колесные краны