Торговая марка
основана в 1994 году

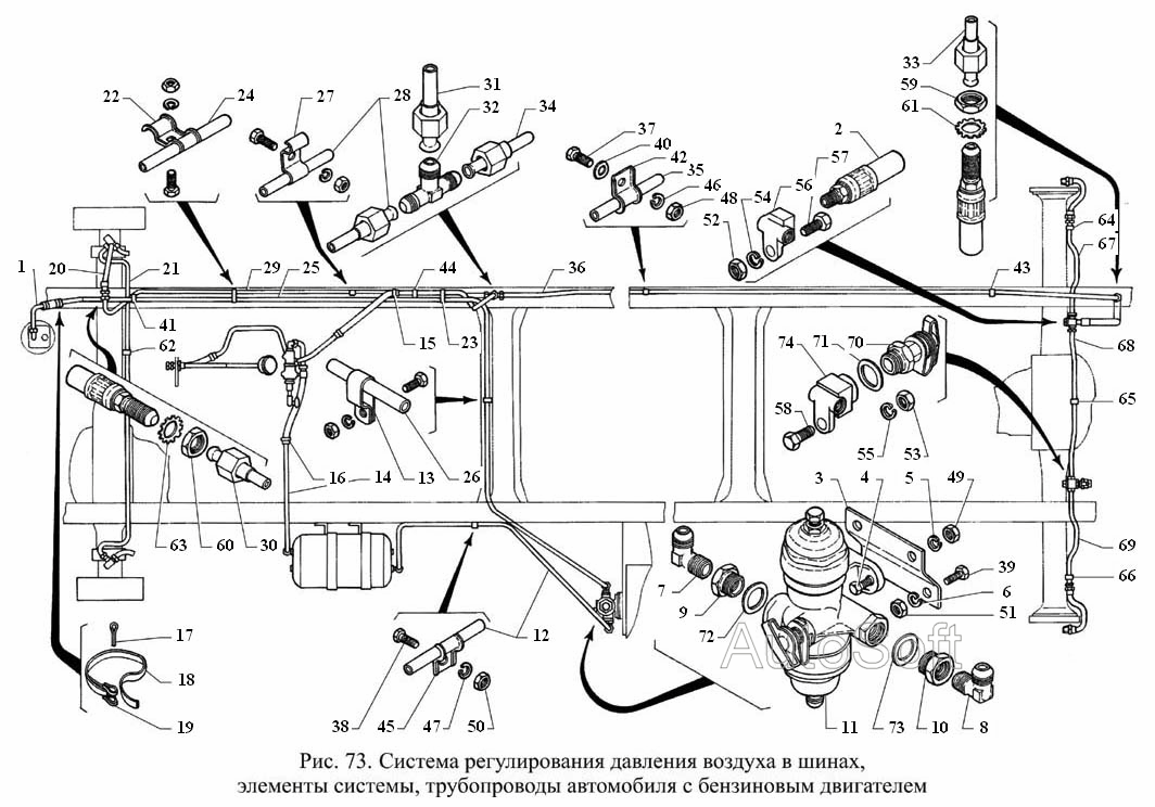
Система регулирования давления воздуха в шинах, элементы системы, трубопроводы автомобиля с бензиновым двигателем

Система регулирования давления воздуха в шинах, элементы системы, трубопроводы автомобиля с бензиновым двигателем
Метка Каталожный номер Наименование детали Наличие
59 250636-П29 Гайка М16х1,5-6Н ОСТ 37.001.124-93
Фото Артикул Наименование Модель Ед. Наличие Цена в магазине сегодня Цена интернет магазина
гайка тормозного шланга Красная Этна Газ,УАЗ 00000060010 гайка тормозного шланга Красная Этна Газ,УАЗ УАЗ шт 7₽ 6₽
Нет в наличии
60 250636-П29 Гайка М16х1,5-6Н ОСТ 37.001.124-93
Фото Артикул Наименование Модель Ед. Наличие Цена в магазине сегодня Цена интернет магазина
гайка тормозного шланга Красная Этна Газ,УАЗ 00000060010 гайка тормозного шланга Красная Этна Газ,УАЗ УАЗ шт 7₽ 6₽
Нет в наличии