Торговая марка
основана в 1994 году

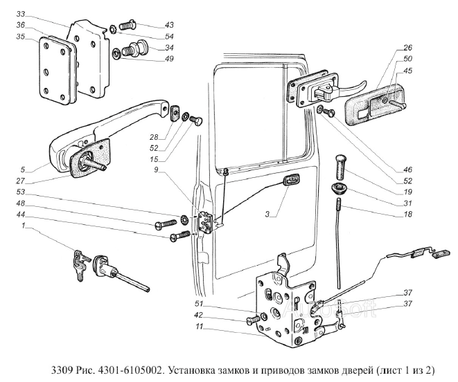
Установка замков и приводов замков двери

Установка замков и приводов замков двери
Метка Каталожный номер Наименование детали Наличие
26 4301-6105189 Розетка внутреннего привода левая
Фото Артикул Наименование Модель Ед. Наличие Цена интернет магазина
розетка внутреннего привода замка передней двери левая "Автокомпонент" г.Н.Новгород Газель 4301-6105189 00000052931 розетка внутреннего привода замка передней двери левая "Автокомпонент" г.Н.Новгород Газель 4301-6105189 Газель шт 58₽
В корзину
11 4301-6105487 Механизм рычажный замка левый
Фото Артикул Наименование Модель Ед. Наличие Цена интернет магазина
замок двери левый 00000058968 замок двери левый Г-4301 453₽
В корзину