Торговая марка
основана в 1994 году

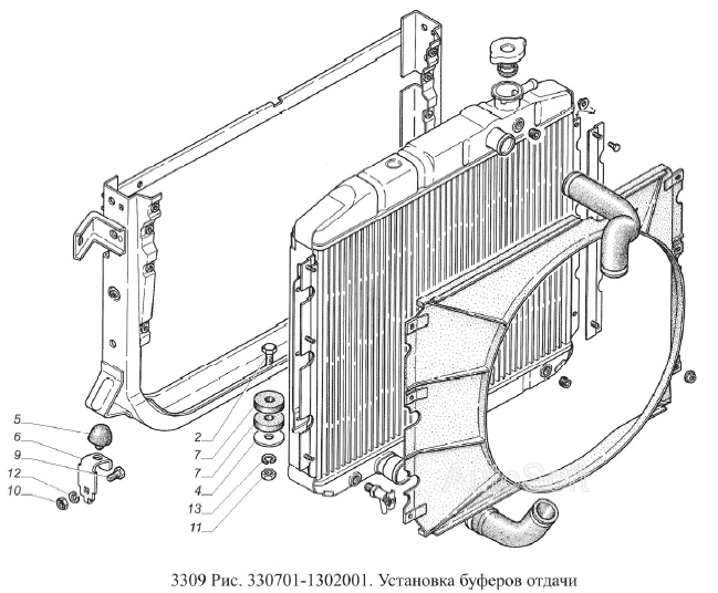
Установка буферов отдачи

Установка буферов отдачи