Торговая марка
основана в 1994 году

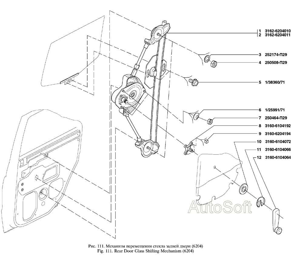
Механизм перемещения стекла задней двери

Механизм перемещения стекла задней двери