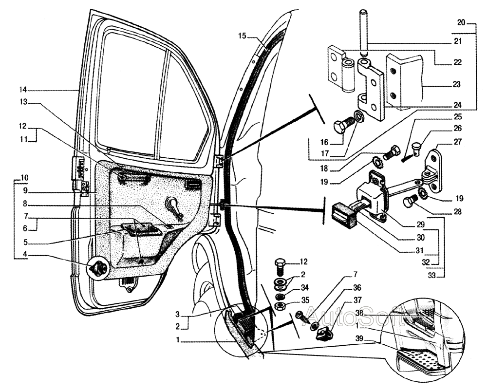
Дверь, навеска дверей, поручень, ящик аптечки, кант проема передних дверей, подножка
| Метка | Каталожный номер | Наименование детали | Наличие | ||||||||||||||||||||||||||||
|---|---|---|---|---|---|---|---|---|---|---|---|---|---|---|---|---|---|---|---|---|---|---|---|---|---|---|---|---|---|---|---|
| 5 | 3302-3912406 | Ящик аптечки | |||||||||||||||||||||||||||||
|
|||||||||||||||||||||||||||||||
| 38 | 3302-5109036 | Настил подножки правый | |||||||||||||||||||||||||||||
|
|||||||||||||||||||||||||||||||
| 38 | 3302-5109037 | Настил подножки левый | |||||||||||||||||||||||||||||
|
|||||||||||||||||||||||||||||||
| 9 | 3302-6102212 | Обивка двери правая | |||||||||||||||||||||||||||||
|
|||||||||||||||||||||||||||||||
| 9 | 3302-6102213 | Обивка двери левая | |||||||||||||||||||||||||||||
|
|||||||||||||||||||||||||||||||
| 20 | 3302-6106010-01 | Петля двери | |||||||||||||||||||||||||||||
|
|||||||||||||||||||||||||||||||
| 21 | 3302-6106044-01 | Ось петли двери | |||||||||||||||||||||||||||||
|
|||||||||||||||||||||||||||||||
| 33 | 3302-6106082 | Ограничитель двери в сборе | |||||||||||||||||||||||||||||
|
|||||||||||||||||||||||||||||||
| 15 | 3302-6107126 | Кант проема двери в сборе | |||||||||||||||||||||||||||||
|
|||||||||||||||||||||||||||||||
| 13 | 3302-8202200 | Поручень в сборе | |||||||||||||||||||||||||||||
|
|||||||||||||||||||||||||||||||
