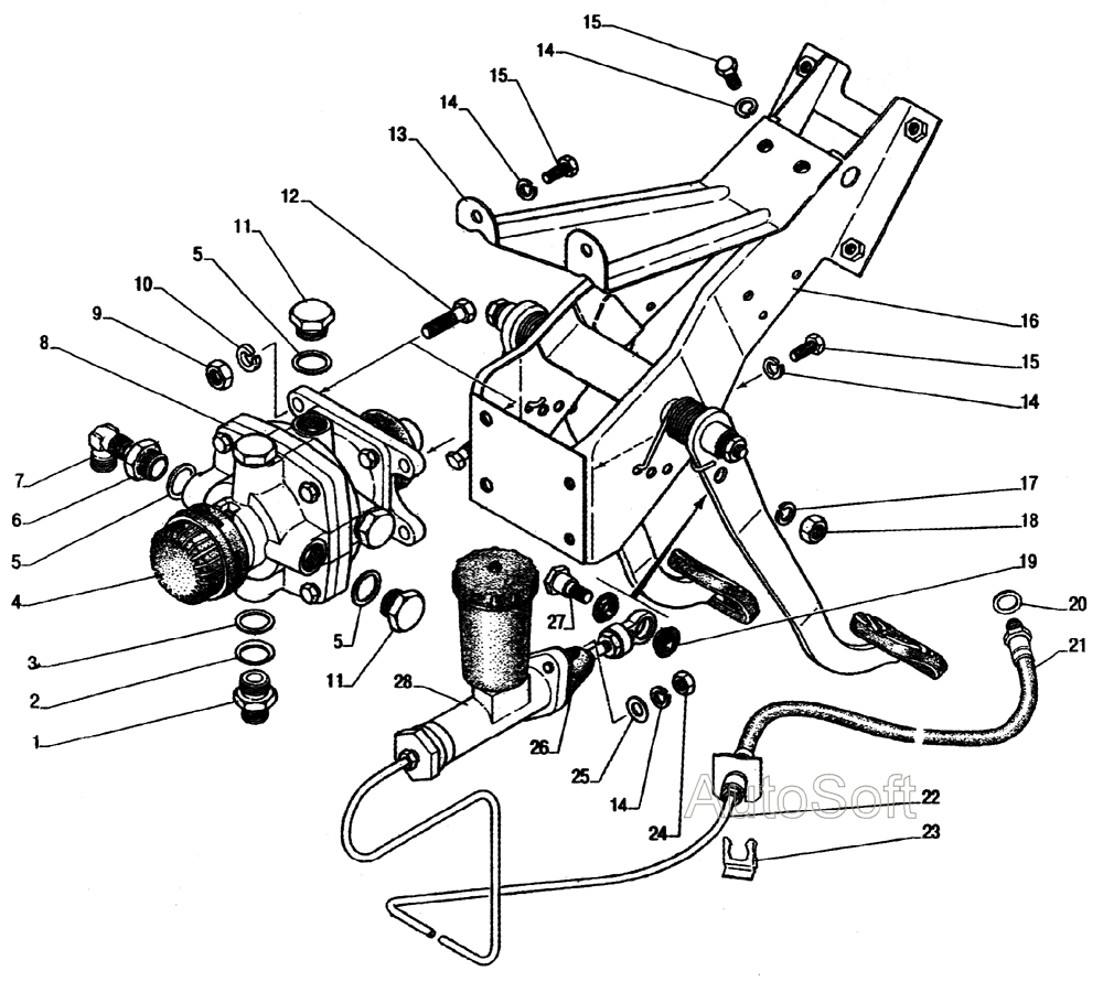
Установка привода сцепления и тормоза
| Метка | Каталожный номер | Наименование детали | Наличие | |||||||||||||||||||
|---|---|---|---|---|---|---|---|---|---|---|---|---|---|---|---|---|---|---|---|---|---|---|
| 19 | 21-3504039 | Втулка оси толкателя | ||||||||||||||||||||
|
||||||||||||||||||||||
| 27 | 24-3504038 | Ось толкателя педали | ||||||||||||||||||||
|
||||||||||||||||||||||
| 23 | 24-3506042 | Скоба крепления шланга | ||||||||||||||||||||
|
||||||||||||||||||||||
| 24 | 250511-П29 | Гайка М8х1-6Н ОСТ 37.001.124-93 | ||||||||||||||||||||
|
||||||||||||||||||||||
| 28 | 3302-1602290 | Главный цилиндр привода сцепления | ||||||||||||||||||||
|
||||||||||||||||||||||

