Торговая марка
основана в 1994 году

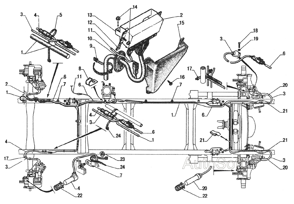
Установка блока управления, жгутов и датчиков АБС

Установка блока управления, жгутов и датчиков АБС