Торговая марка
основана в 1994 году

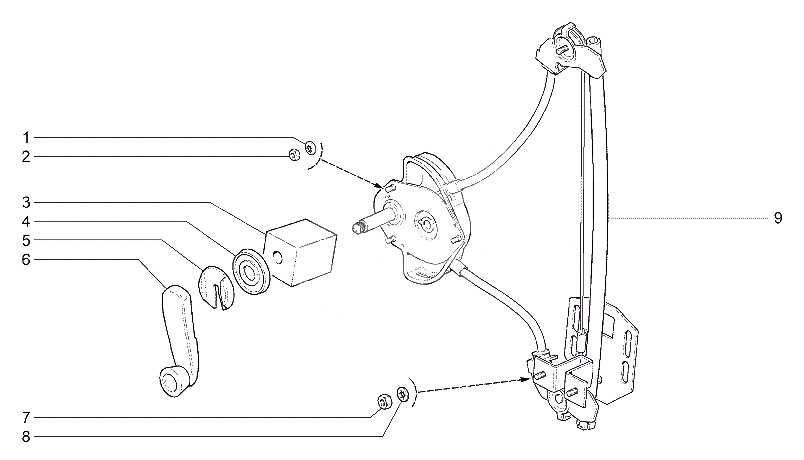
Стеклоподъемники задних дверей

Стеклоподъемники задних дверей