Торговая марка
основана в 1994 году

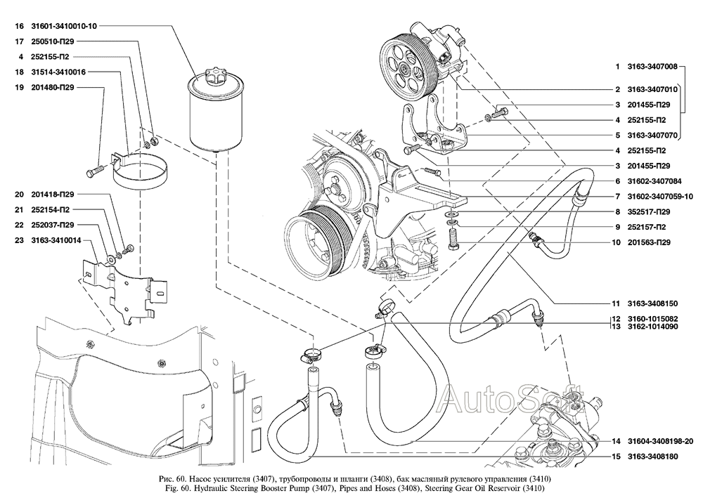
Насос усилителя, трубопроводы и шланги, бак масляный рулевого управления

Насос усилителя, трубопроводы и шланги, бак масляный рулевого управления