Торговая марка
основана в 1994 году

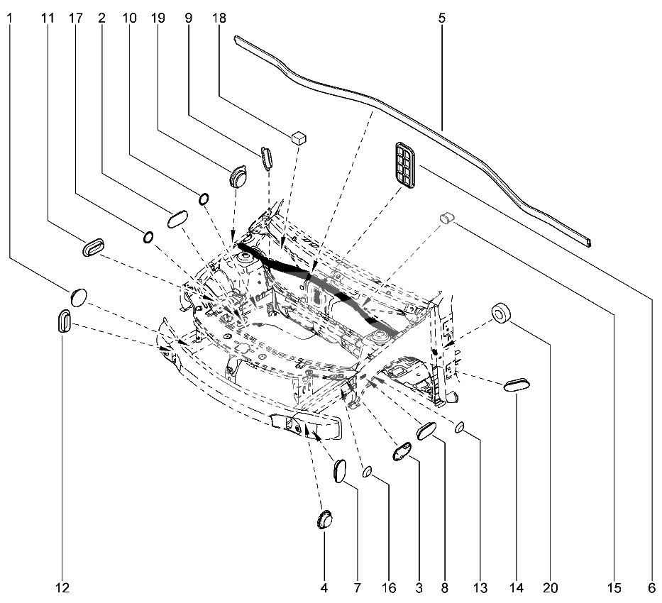
Кузовные панели переда кузова

Кузовные панели переда кузова