Торговая марка
основана в 1994 году

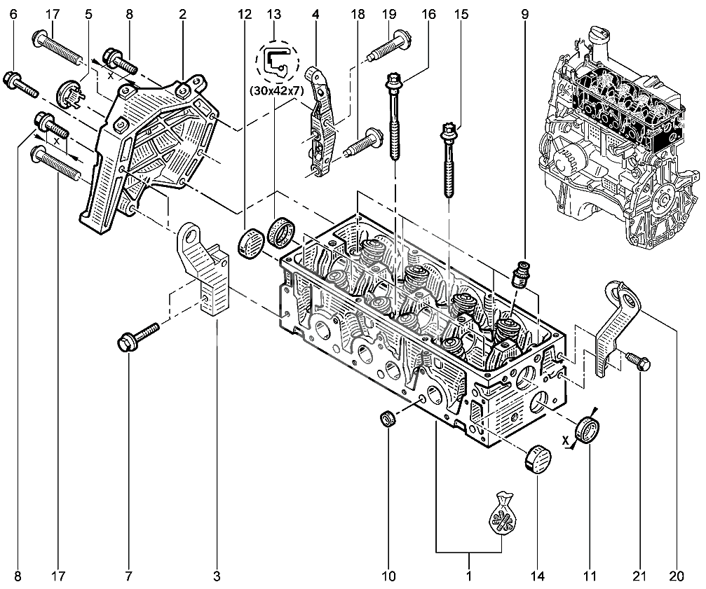
Головка блока (8 КЛ)

Головка блока (8 КЛ)