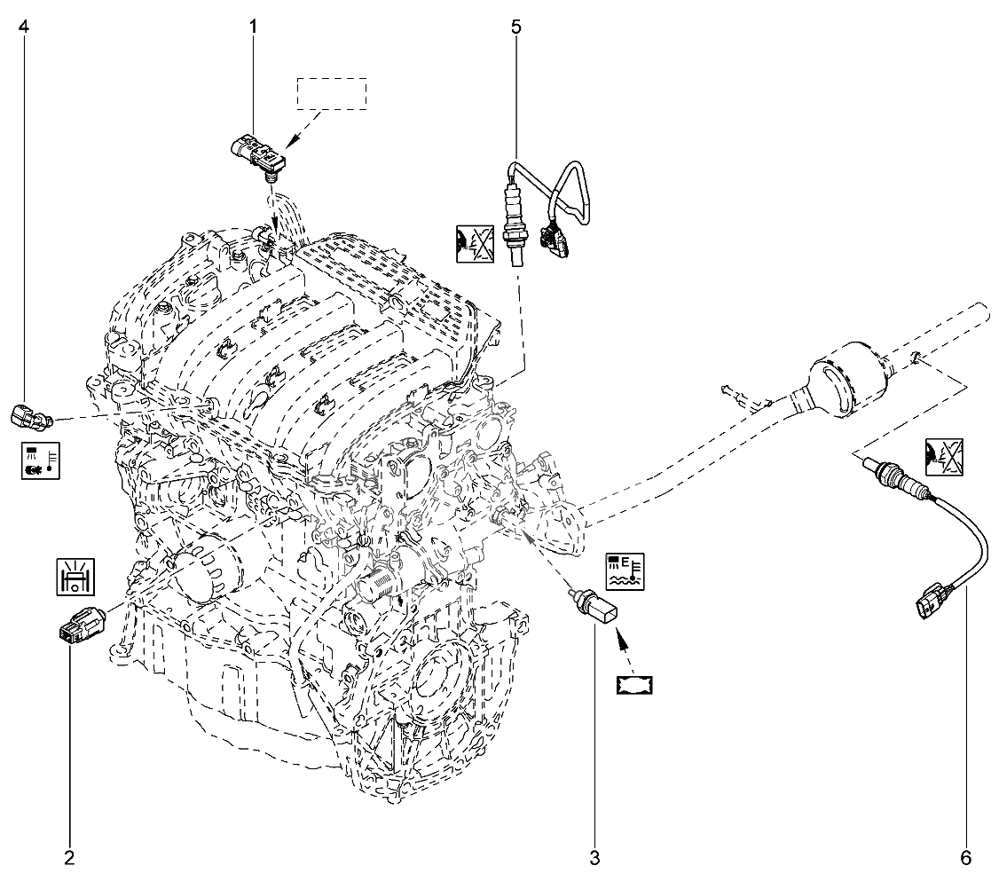
Датчик управления двигателем
| Метка | Каталожный номер | Наименование детали | Наличие | |||||||||||||||||||||||||
|---|---|---|---|---|---|---|---|---|---|---|---|---|---|---|---|---|---|---|---|---|---|---|---|---|---|---|---|---|
| 2 | 8200680689 | Датчик детонации | ||||||||||||||||||||||||||
|
||||||||||||||||||||||||||||
| 3 | 8200561449 | Датчик температуры охлаждающей жидкости | ||||||||||||||||||||||||||
|
||||||||||||||||||||||||||||
| 5 | 8201071311 | Датчик кослорода | ||||||||||||||||||||||||||
|
||||||||||||||||||||||||||||
| 6 | 6001549061 | Датчик кислорода | ||||||||||||||||||||||||||
|
||||||||||||||||||||||||||||


