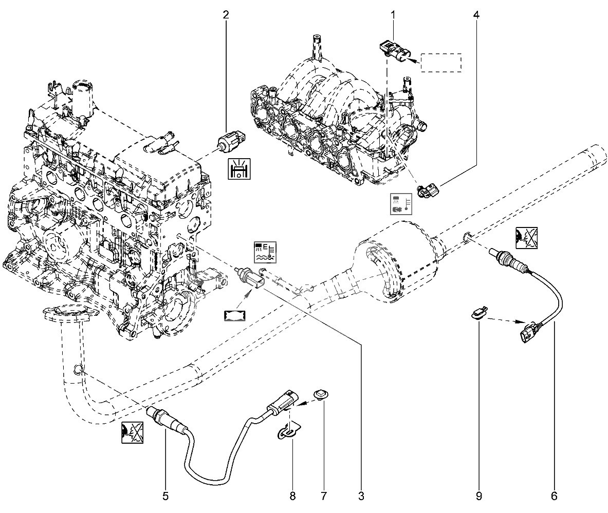
Датчик управления двигателем
| Метка | Каталожный номер | Наименование детали | Наличие | |||||||||||||||||
|---|---|---|---|---|---|---|---|---|---|---|---|---|---|---|---|---|---|---|---|---|
| 2 | 8200680689 | Датчик детонации | ||||||||||||||||||
|
||||||||||||||||||||
| 5 | 8200632270 | Датчик кислорода | ||||||||||||||||||
|
||||||||||||||||||||
| 6 | 6001549061 | Датчик кислорода | ||||||||||||||||||
|
||||||||||||||||||||

