Торговая марка
основана в 1994 году

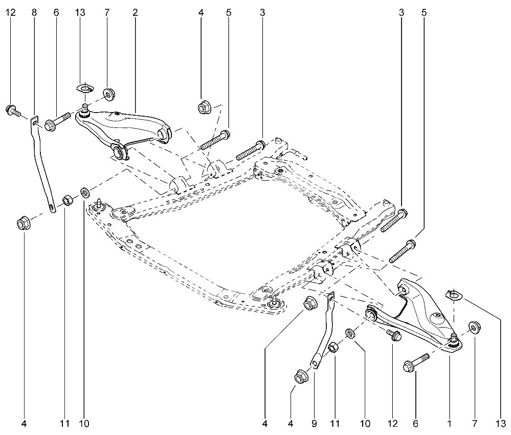
Рычаги передней подвески

Рычаги передней подвески
Метка Каталожный номер Наименование детали Наличие
1 545011362R Рычаг передней подвески в сборе, левый
Фото Артикул Наименование Модель Ед. Наличие Цена интернет магазина
рычаг подвески лев. 00000056091 рычаг подвески лев. Ларгус 1337₽
Нет в наличии
4 7703034248 Гайка самоконтрящаяся с буртиком
Фото Артикул Наименование Модель Ед. Наличие Цена интернет магазина
гайка М12х1,75 с фланцем опоры двигателя Ларгус Веста 00000062505 гайка М12х1,75 с фланцем опоры двигателя Ларгус Веста FEBI 67₽
В корзину
7 7703034221 Шестигранная гайка самоконтрящаяся с буртиком
Фото Артикул Наименование Модель Ед. Наличие Цена интернет магазина
гайка М10х1,25 с фланцем самоконтр.шаров.опоры 00000055360 гайка М10х1,25 с фланцем самоконтр.шаров.опоры шт 12₽
Нет в наличии