Торговая марка
основана в 1994 году

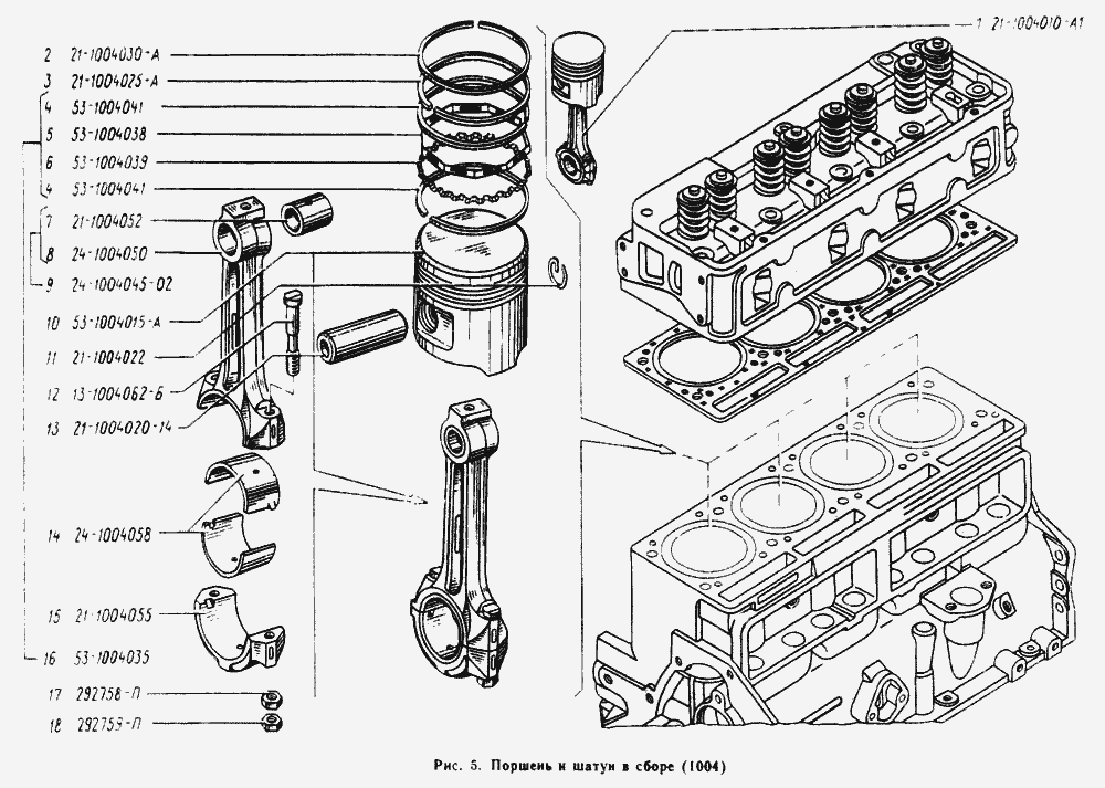
Поршень и шатун в сборе

Поршень и шатун в сборе