Торговая марка
основана в 1994 году

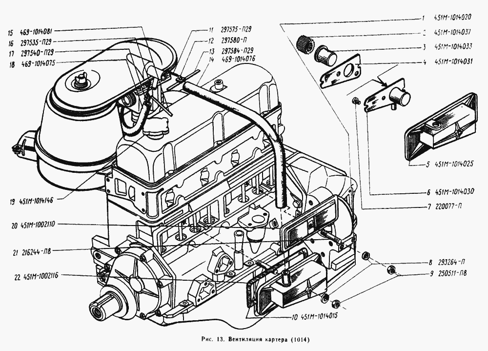
Вентиляция картера

Вентиляция картера