Торговая марка
основана в 1994 году

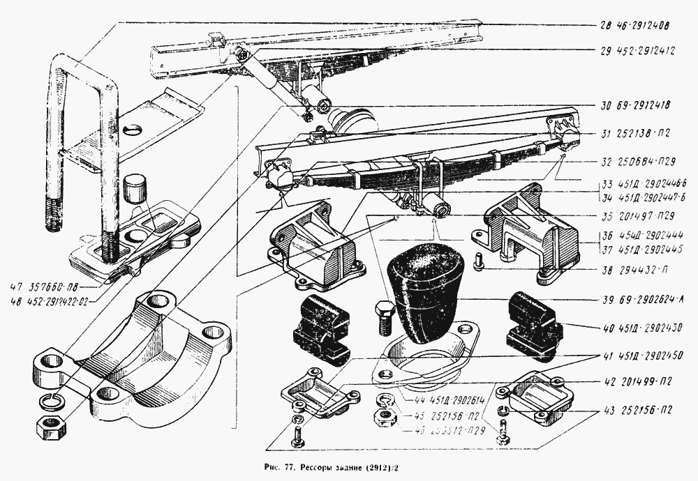
Рессоры задние

Рессоры задние
Метка Каталожный номер Наименование детали Наличие
451Д-2902430 451Д-2902430 Подушка рессоры
Фото Артикул Наименование Модель Ед. Наличие Цена в магазине сегодня Цена интернет магазина
Подушка рессоры (полиуретан) ООО"Еласт"У-452 00000016918 Подушка рессоры (полиуретан) ООО"Еласт"У-452 У-452 шт 165₽ 152₽
В корзину
Подушка рессоры /РТИ/ У-452 00000016919 Подушка рессоры /РТИ/ У-452 У-452 шт 113₽ 104₽
В корзину
Подушка рессоры /СЗРТ/  У-452 00000016920 Подушка рессоры /СЗРТ/ У-452 У-452 шт 369₽ 345₽
В корзину
452-2912412 452-2912412 Накладка
Фото Артикул Наименование Модель Ед. Наличие Цена в магазине сегодня Цена интернет магазина
Накладка рессоры "УАЗ" У-452 00000060161 Накладка рессоры "УАЗ" У-452 У-452 шт 234₽ 218₽
В корзину
452-2912422-02 452-2912422-02 Подкладка
Фото Артикул Наименование Модель Ед. Наличие Цена в магазине сегодня Цена интернет магазина
Подкладка рессоры "УАЗ" У-452 00000053230 Подкладка рессоры "УАЗ" У-452 У-452 шт 228₽ 213₽
В корзину