Торговая марка
основана в 1994 году

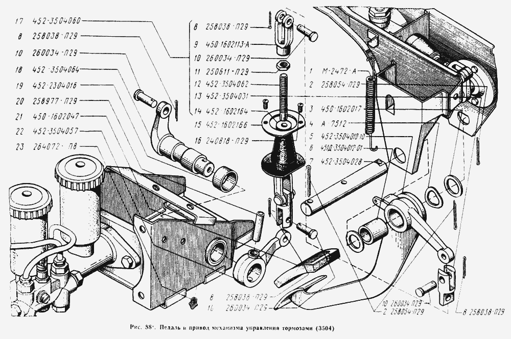
Педаль и привод механизма управления тормозами

Педаль и привод механизма управления тормозами
Метка Каталожный номер Наименование детали Наличие
264072-П8 264072-П8 Масленка 1,1
Фото Артикул Наименование Модель Ед. Наличие Цена в магазине сегодня Цена интернет магазина
пресс-масленка коническая 264072-П8  "БелЗАН" 00000052805 пресс-масленка коническая 264072-П8 "БелЗАН" шт 3₽ 3₽
В корзину
450-1602047 450-1602047 Накладка педали привода выключения сцепления
Фото Артикул Наименование Модель Ед. Наличие Цена в магазине сегодня Цена интернет магазина
Накладка педали привода выключения сцепления РТИ УАЗ 00000016040 Накладка педали привода выключения сцепления РТИ УАЗ УАЗ шт 23₽ 21₽
Нет в наличии
452-2304016 452-2304016 Втулка шкворня
Фото Артикул Наименование Модель Ед. Наличие Цена в магазине сегодня Цена интернет магазина
втулка шкворня "УАЗ" У-452 00000013477 втулка шкворня "УАЗ" У-452 У-452 шт 86₽ 81₽
В корзину