Торговая марка
основана в 1994 году

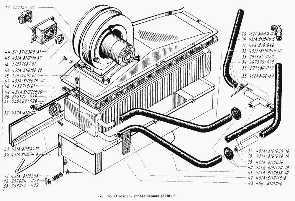
Отопитель кузова задний

Отопитель кузова задний