Торговая марка
основана в 1994 году

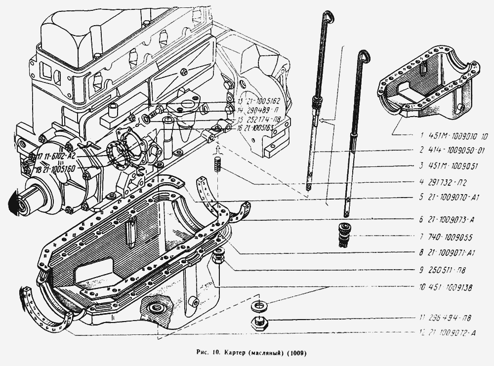
Картер (масляный)

Картер (масляный)
Метка Каталожный номер Наименование детали Наличие
291732-П2 291732-П2 Шпилька М8х1х14
Фото Артикул Наименование Модель Ед. Наличие Цена интернет магазина
шпилька поддона М8х1-4hх14 00000020772 шпилька поддона М8х1-4hх14 шт 7₽
В корзину
296494-П8 296494-П8 Пробка М1 8х1,5 специальная
Фото Артикул Наименование Модель Ед. Наличие Цена интернет магазина
пробка М18х1,5х12 масляного картера "ЗМЗ" Волга,Газель ЗМЗ-402 00000023584 пробка М18х1,5х12 масляного картера "ЗМЗ" Волга,Газель ЗМЗ-402 Волга шт 50₽
В корзину
пробка поддона магнитная Волга 00000059447 пробка поддона магнитная Волга Волга шт 202₽
Нет в наличии