Торговая марка
основана в 1994 году

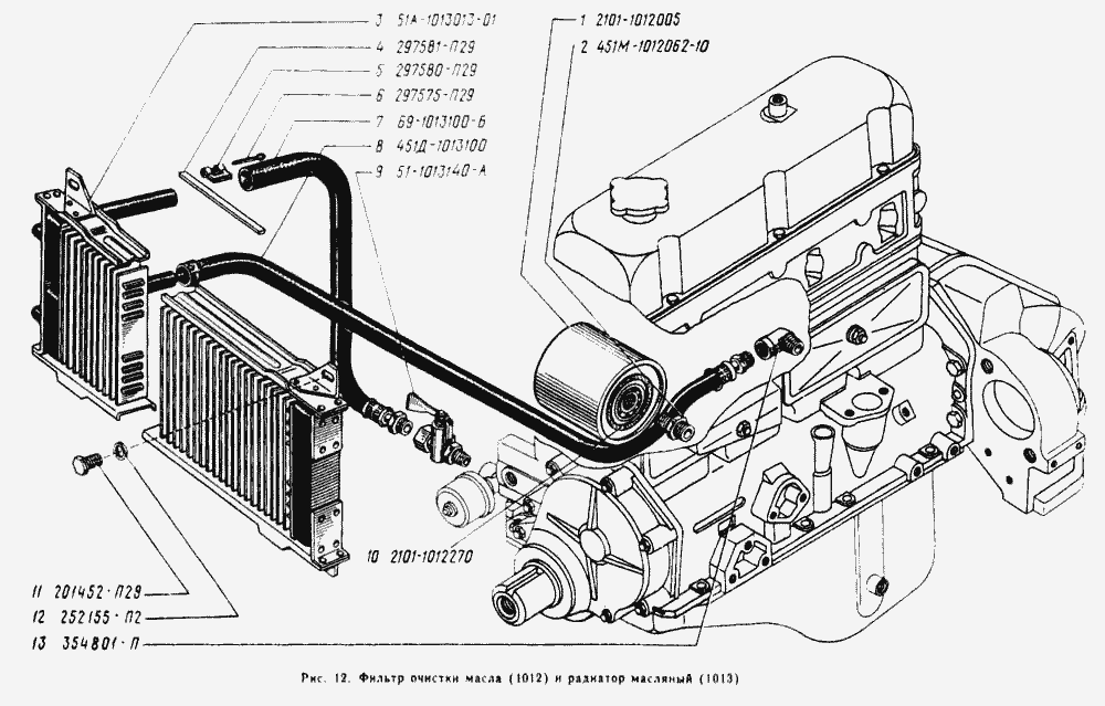
Фильтр очистки масла, радиатор масляный

Фильтр очистки масла, радиатор масляный