Торговая марка
основана в 1994 году

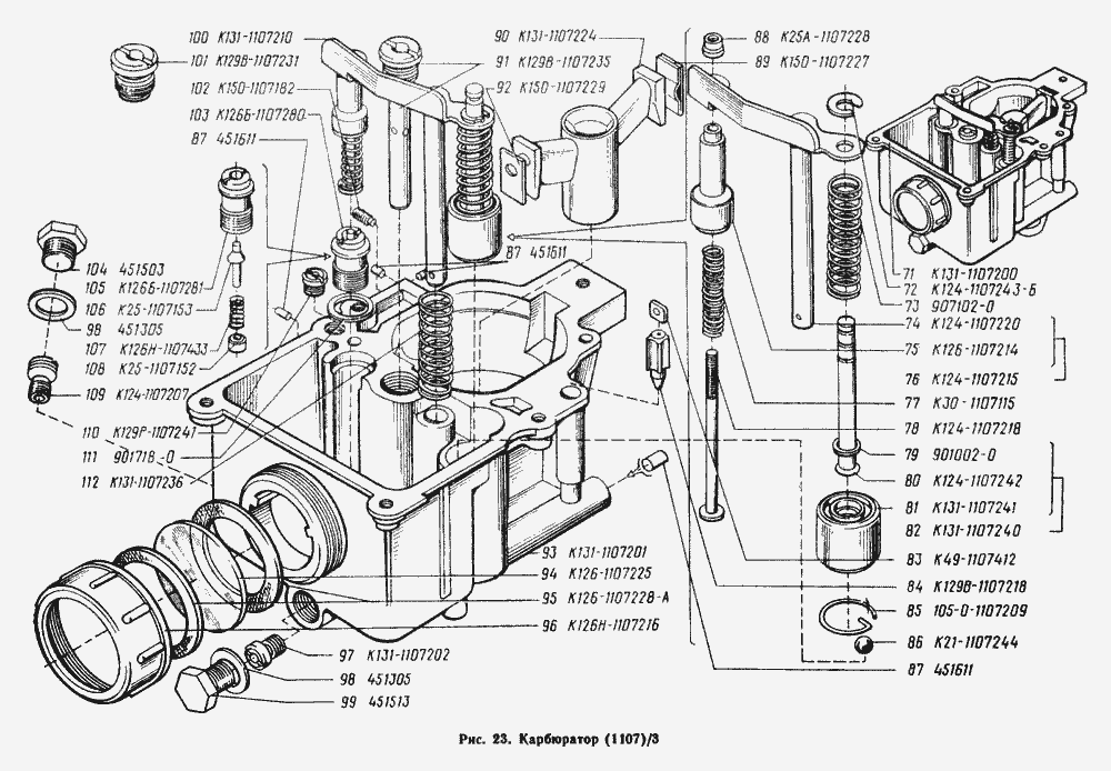
Карбюратор

Карбюратор