Торговая марка
основана в 1994 году

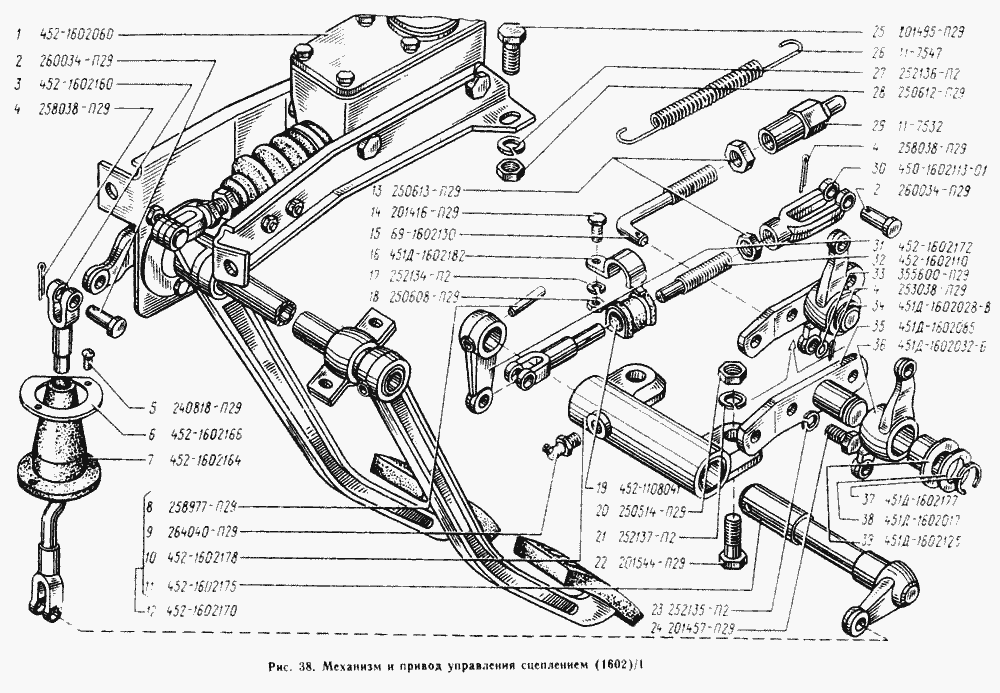
Механизм и привод управления сцеплением

Механизм и привод управления сцеплением