Торговая марка
основана в 1994 году

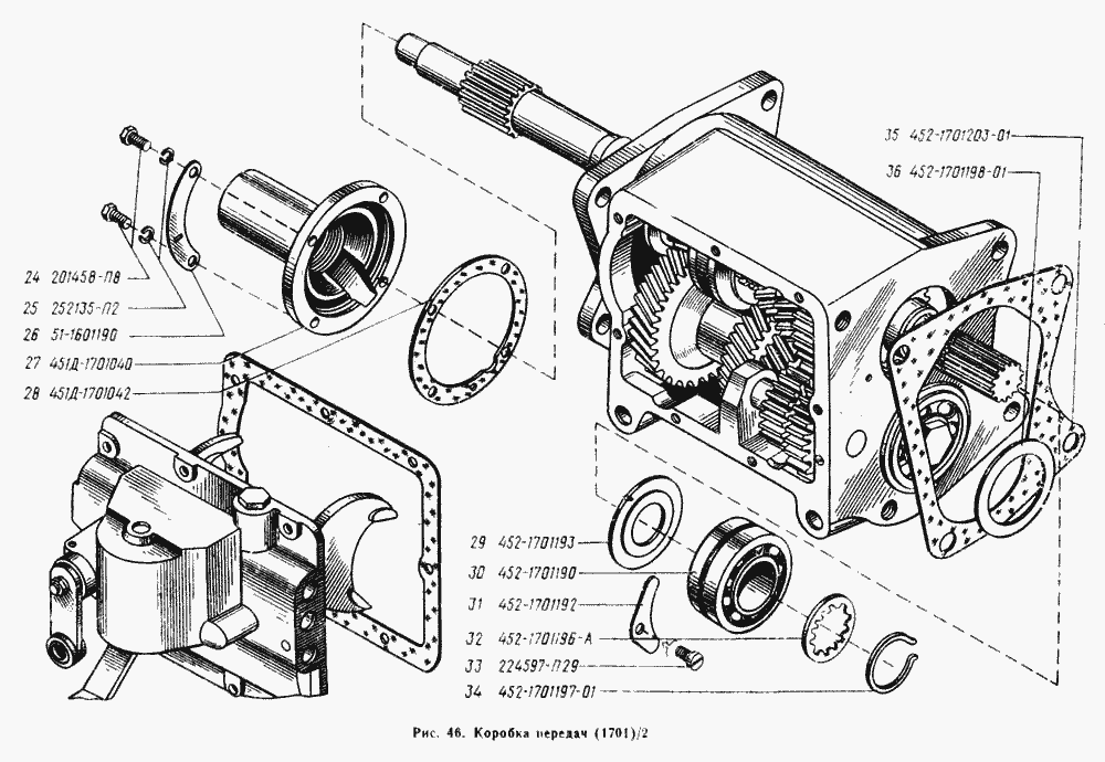
Коробка передач

Коробка передач